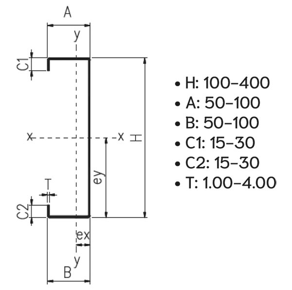
İŞLENMİŞ ÜRÜNLER - C AŞIK PROFİLLER AVRUPA KESİT GENİŞ BAŞLIKLI PROFİLLER HEA – HEB – HEM 100 – 1000mm HEA-HEB-HEM Profiller Tablosu HEA Profiller HEB Profiller AVRUPA KESİT PARALEL BAŞLIKLI PROFİLLER IP 80 – 750 IPE Profiller Tablosu AVRUPA KESİT PARALEL BAŞLIKLI I VE U PROFİLLER UPE 80 – 400 UPE Profiller Tablosu AVRUPA KESİT EĞİK FLANŞLI I VE U PROFİLLER IPN 80 – 600 IPN Profiller Tablosu UPN 40 – 400 UPN Profiller Tablosu TİCARİ PROFİLLER Eşit Kenar Köşebentler Köşebentler Tablosu Eşit Kenarlı T Profiller Eşit Kenarlı T Profiller Tablosu Lamalar Lamalar Tablosu Kare Demiri YASSI ÇELİK ÜRÜNLER SICAK Sıcak Levha Sıcak Levha Tablosu Sıcak Rulo ve Paket Saclar Baklavalı Gözyaşı Desenli Saclar Baklava Gözyaşı Desenli Saclar Tablosu YASSI ÇELİK ÜRÜNLER SOĞUK Rulo ve Paket Saclar Rulo ve Paket Saclar Tablosu YASSI ÇELİK ÜRÜNLER GALVANİZ Galvaniz Rulo ve Paket Saclar Galvaniz Rulo ve Paket Saclar Tablosu Galvaniz Boyalı Saclar Rulo ve Paket Saclar Galvaniz Boyalı Saclar Tablosu BORU PROFİLLER Siyah Boyalı Galvaniz Borular Siyah Boyalı Galvaniz Borular Tablosu Siyah Boyalı Galvaniz Kutu Profiller Siyah Boyalı Galvaniz Dikdörtgen Profiller GAZ, SU VE DOĞALGAZ BORULARI Gaz, Su Boruları Doğalgaz Boruları Gaz, Su ve Doğalgaz Boruları Tablosu SERA OLUKLARI İŞLENMİŞ ÜRÜNLER Petek Kirişler Trapez Saclar Çatı C Aşık Profiller C Aşık Profiller Tablosu ÖZÇE HİZMETLER • H: Yükseklik/Height • A: Üst kenar yüksekliği / Upper Flange Height • B: Alt kenar yüksekliği / Lower Flange Height • C1: Üst tırnak genişliği / Upper lip width • C2: Alt tırnak genişliği / Lower lip width • T: Kalınlık / Thickness